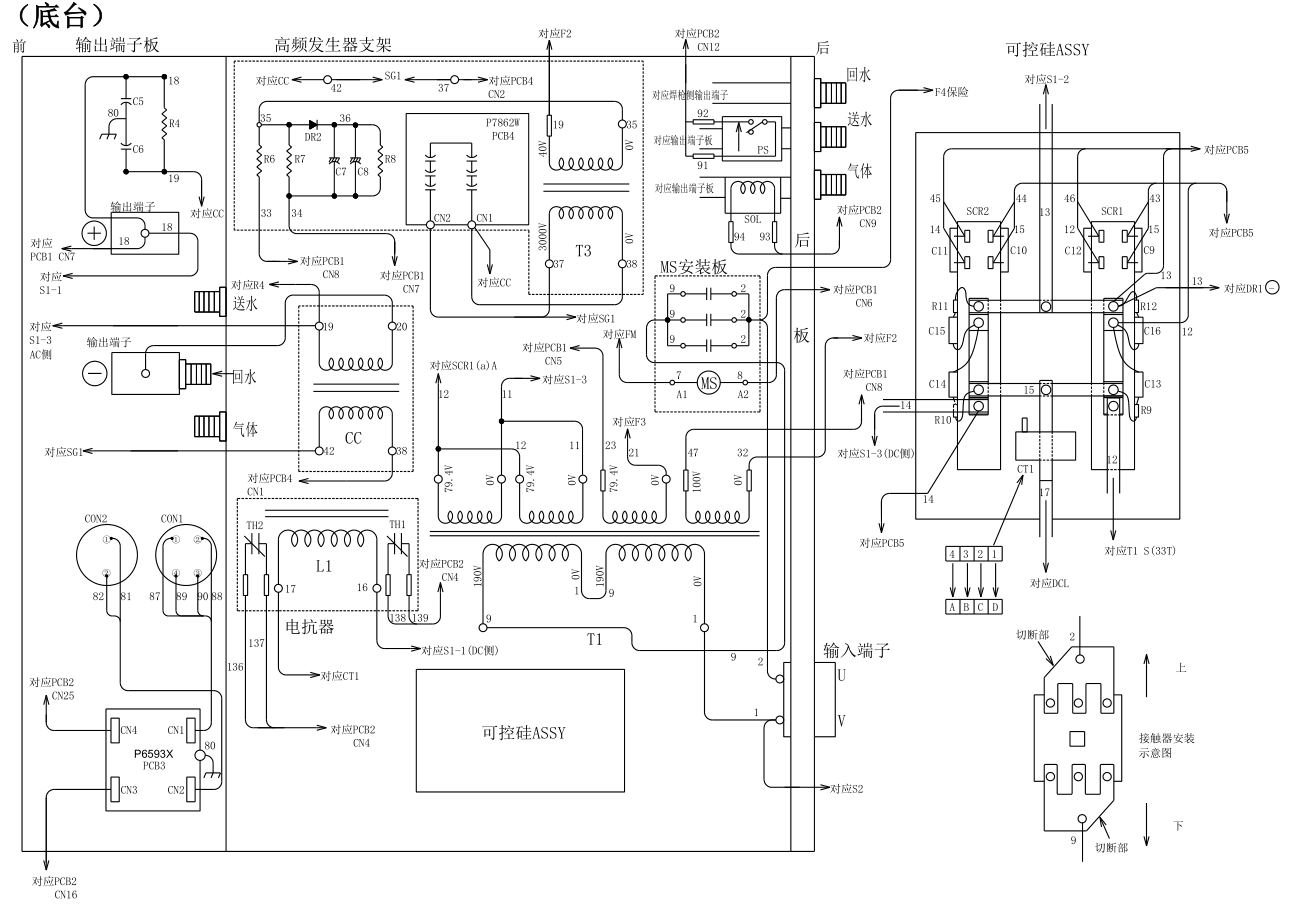
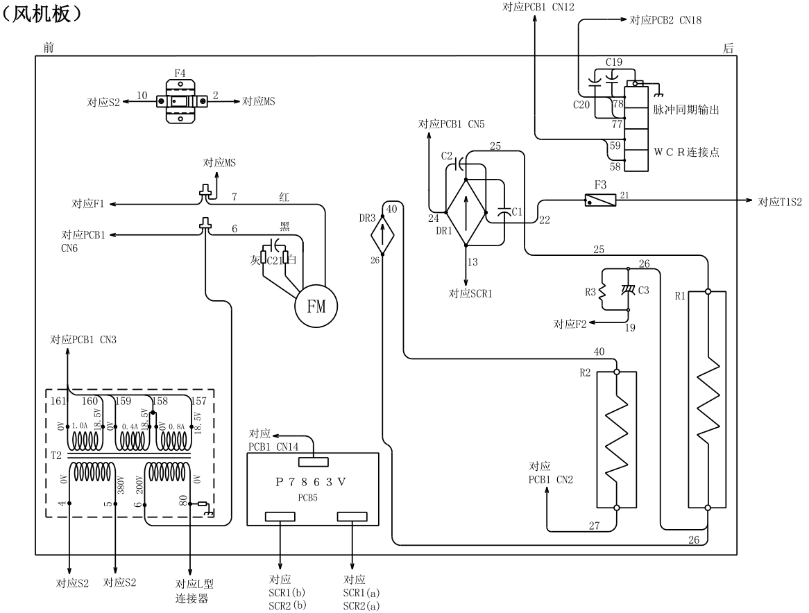
OTC焊機AEP300是一臺交直流兩用的TIG脈沖電弧焊接機,熟悉這款機器的朋友都知道,它功能強大,焊接種類多,不容易出故障,本文主要介紹的是它零部件配置




OTC焊機AEP300的零部件配置圖就介紹到這里希望能給您帶來幫助,如果您需要查找AEP500的零部件配置圖,可以去本站首頁說明書下載欄目中尋找AEP300和AEP500的說明書,同時如果您需要購買OTC的任何配件,都可以與我聯(lián)系,我公司是OTC指定的代理商,所有配件保證原裝正品,聯(lián)系電話:180-9663-1656(微信同號),也可以先加我微信以備不時之需.

公 司:安徽歐杰自動化科技有限公司
聯(lián)系人:方經(jīng)理
電話:
手機:180-9663-1656
E-mail:15305667776@163.com
地 址:安徽省合肥市望江西路502號